Monte agora um super Barco Rádio Controle  RF, confira abaixo todos os passo, todos os detalhes nas imagens abaixo.
caso fique com qualquer duvida utilize o campo de perguntas 
Leiam tudo é muito importante.
Leiam, para quem quer montar ou aprender.
Aqui uma parte do transmissor e receptor regenerativo, leiam.
Aqui a parte dos motores e relé.
Aqui como confeccionar o XRF, e bobina, leiam.
Ás placas PCI vista do lado dos componentes e cobreado.
Aqui como fazer os ajustes e provar.
Como posicionar e montar os motores e caixa de pilhas.
Lista de componentes dos dois circuitos.
Em zoom esquema regenerativo do receptor VHF.
Em zoom placa de circuito impresso do receptor.
Em zoom confecção de XRF e bobina osciladora de TX e RX.
Receptor regenerativo VHF, lado dos componentes e ligação.
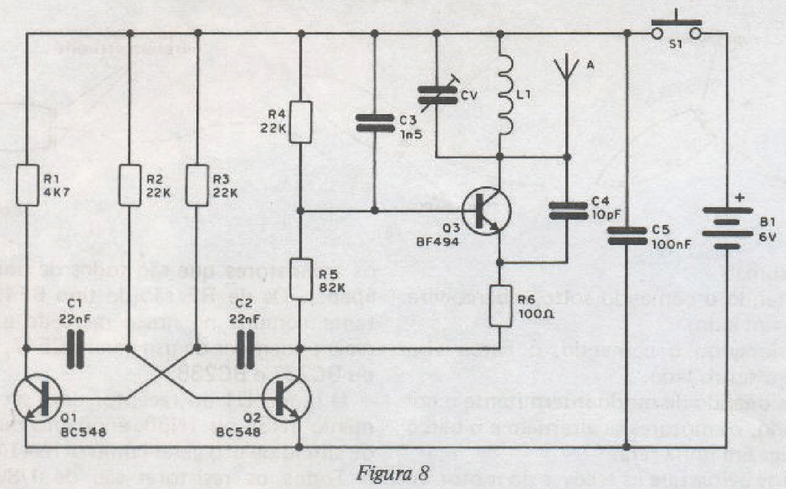
Esquema do transmissor em VHF.
Placa de circuito impresso do transmissor e ligação.
Em zoom lista de componentes do transmissor e receptor.
Está a matéria publicada na integra, para quem quer mais sobre montagens
 de transmissores e  receptores acessem nosso blog que lá temos um 
acervo de esquemas sobre transceptores e muito mais acessem: http://projetosetransceptores.blogspot.com.br/
Muito obrigado e espero que gostem. 

















افكار جميلة
ResponderExcluir